淄博同凯泵阀有限公司
联系电话
<
>

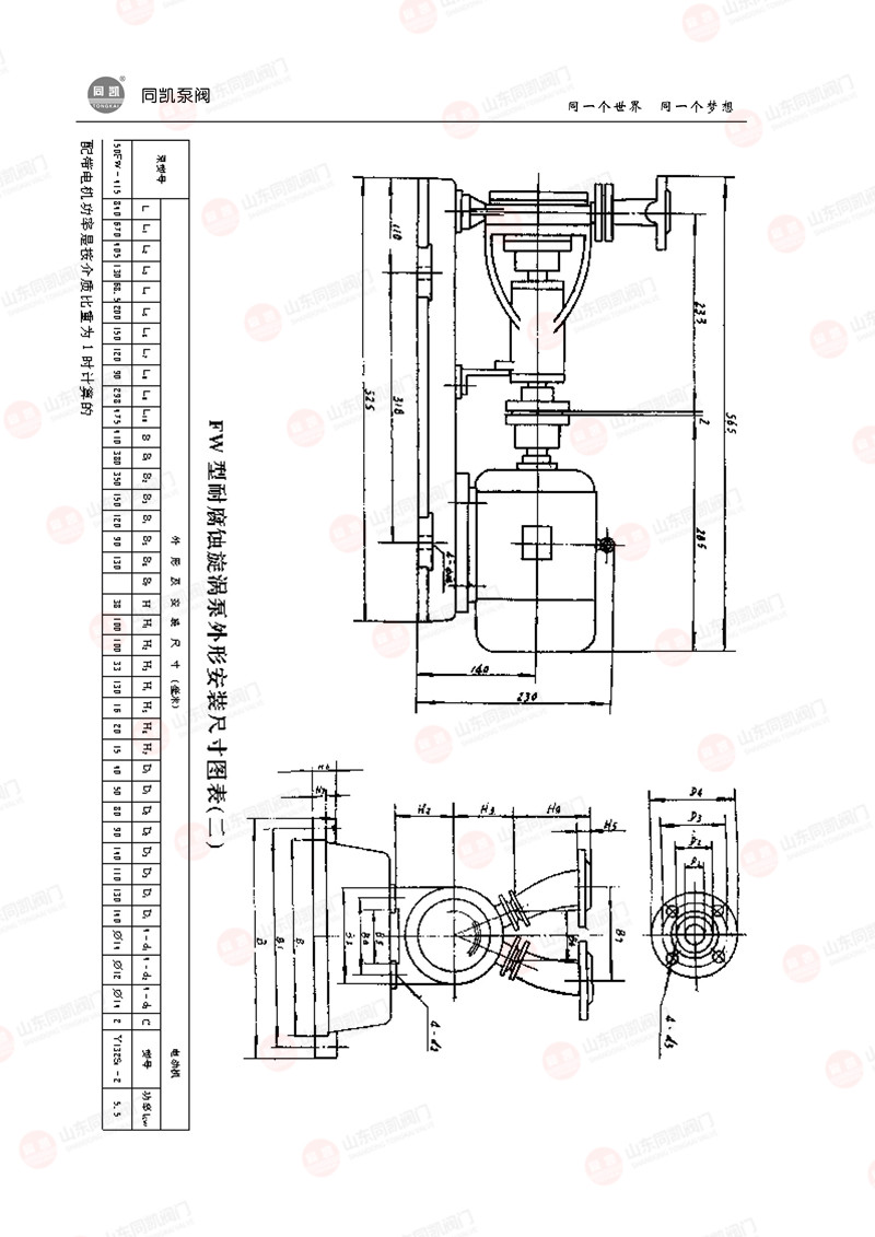
FW型耐腐蚀旋涡泵

时间:2021-04-20 08:58来源:未知 作者:admin 点击: